

測量(liang)介質:液體
測量范(fan)圍: 0.05m~30m
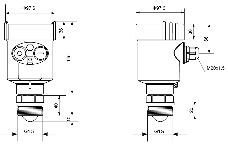
過程連(lian)接(jie):G1?A / 1?NPT螺紋/ 法蘭≥DN50
過程溫度: -40~80℃
過程壓(ya)力: -0.1~0.3 MPa
發 射 角: 7°
天(tian)線尺寸: 32mm透(tou)鏡天(tian)線
天線材(cai)質:PTFE
精(jing) 度(du): ±2mm
防護等(deng)級: IP67
中心頻率(lv): 123GHz
電 源:二線(xian)(xian)制(zhi)/DC24V四線(xian)(xian)制(zhi)/DC12~24V四線(xian)(xian)制(zhi)/AC220V
外 殼:鋁/塑料/不銹鋼
信號輸出:二線(xian)制(zhi)/4...20mA/HART協(xie)議四(si)線(xian)制(zhi)4...20mA/ RS485 Modbus
400-1610-067
HBRD-FMF 系列傳感器是120G調頻雷(lei)達(da)式物位測(ce)量儀(yi)表(biao),測(ce)量距(ju)離可達(da)30米。天(tian)線(xian)被(bei)進一步優化處理,新型快速的(de)微處理器可以進行更高速率的(de)信號分(fen)析處理,使得儀(yi)表(biao)可以用于高溫(wen)高壓等環境液(ye)體的(de)測(ce)量。
調頻連續波(bo)雷(lei)(lei)達(da)物位計的(de)通用原理(li)為(wei)雷(lei)(lei)達(da)在(zai)罐頂發射(she)電(dian)磁波(bo),電(dian)磁波(bo)碰(peng)到介質反射(she)后被雷(lei)(lei)達(da)接(jie)收,接(jie)收信號與(yu)發射(she)信號之間的(de)頻率差 δ f 與介質表面的距離 R 成(cheng)一定(ding)比例關系(xi): R= C (速度) *δ f (頻率差) /2/ K ( 調頻斜率)。因為光速 C和調頻斜率(lv) K 已知,因此估算出頻率差 δ f , 便可得到(dao)雷達安裝位置料面的距離 R ,再通過已知的(de)罐(guan)體總高(gao),減去雷(lei)達到料(liao)(liao)面的(de)空(kong)(kong)間距離(li)(簡稱空(kong)(kong)高(gao)),得出料(liao)(liao)位的(de)高(gao)度(du)。
本儀表完全滿足防護等級IP66/67的要求,請確保電纜密封頭的防水性。如圖
如何確保安裝滿足IP67的要求:
請確保密封頭未受損。
請確保電纜未受損。
請確保所使用的電纜符合電氣連接規范的要求。
在進入電氣接口前,將電纜向下彎曲,以確保水不會流入殼體,見①
請擰緊電纜密封頭,見②
請將未(wei)使用(yong)(yong)的(de)電氣接口用(yong)(yong)盲堵(du)堵(du)緊,見③
咨詢熱線:400-161-0067
測量介質:液體
測量范圍:0.05m~30m
過程連接:G1? A/1?NPT螺紋/法蘭≥DN50
過程溫度:-40~80℃
過程壓力:-0.1~0.3MPa
精度:±2mm
防護等級:IP67
頻率范圍:123GHz
電源:兩線制(DC24V)/四線制(DC12V~24V)/四線制(AC220V)
防爆等級:Exia
ⅡC T6 Ga / Exd IIC T6 Gb
外殼:鋁/塑料/不銹鋼
信號(hao)輸出:二(er)線制(zhi)4...20mA/HART協議/四線制(zhi)4...20mA /RS485 Modbus
| 過程鏈接 | 法蘭 | |||
| 材質 | 304不銹鋼、PP | |||
| 外殼 | 外殼和外殼之間的密封 | 硅橡膠 | ||
| 外殼視窗 | 聚碳酸酯 | |||
| 接地端子 | 不銹鋼 | |||
| 供電電壓 | 四線制 | 標準型 | (12~24)V DC | |
| 功耗 | max80mA DC24V/2W | |||
| 允許波紋 | <100Hz | Uss<1V | ||
| (100~100K)Hz | Uss<10mV | |||
| 雙腔外殼 | (198~242)V AC | 四線制 | ||
| 100V AC | 四線制 | |||
| 電纜參數 | 電纜入口/插頭 | 1個M20x1.5電纜入口 | ||
| 1個盲堵M20×15 | ||||
| 接地端子 | 導線橫截面2.5mm2 | |||
| 輸出參數 | 輸出信號 | (4~20)mA/RS485Modbus | ||
| 分辨率 | 1mm | |||
| 故障信號 | 電流輸出不變;20.5mA;22mA;3.9mA | |||
| 積分時間 | (0~20)s,可調 | |||
| 盲區 | 0.1m/0.2m/0.3m | |||
| 最大測量間隔 | 150米 | |||
| 測量間距 | 大約1秒(取決于參數設置) | |||
| 調整時間 |
大約1秒(取(qu)決于參(can)數設置) |
|||
|
調整時間工作存儲(chu)及運(yun)輸溫度 |
(-40~80)℃ |
|||
|
過程溫度 |
HBRD-FMF11 | -40~80℃ | ||
| HBRD-FMF12 | -40~110℃ | |||
| HBRD-FMF13 | -40~110℃ | |||
| HBRD-FMF15 | -40~200℃ | |||
| HBRD-FMF21 | -40~110℃ | |||
|
相對濕(shi)度 |
<95% | |||
|
壓力 |
Max2.5MPa | |||
|
耐震(zhen) |
機械震動10m/s2,(10~150)Hz | |||
儀表在安裝時避免安裝在入料口(kou)的(de)上方(fang),盡量避開各(ge)種影響信號(hao)的(de)物體,如(ru)攪拌槳(jiang)等
● 在極端復雜(za)的工況下,以雷達安裝點為中心,半徑20cm的區域內沒有任何障礙物(wu),儀表即可(ke)正(zheng)常工作。
有(you)不能安裝在入料(liao)口上方,儀表下方不能有(you)障礙物
在極端復雜(za)的工況下,以雷達安裝(zhuang)點(dian)為中心(xin),半徑20cm的區域(yu)內沒(mei)有任何障(zhang)礙物,儀表即可正(zheng)常(chang)工作。
售前咨詢
熱線電(dian)話 400-161-0067
400電話,全天24小時客服接聽
售后咨詢
售(shou)后咨詢 資深售(shou)后工程師一(yi)對(dui)一(yi)解答
劉工(gong):18610116715
薛工:18610116706
掃碼咨詢