
測量介質:液體
測量范圍(wei): 0.1m~ 30m
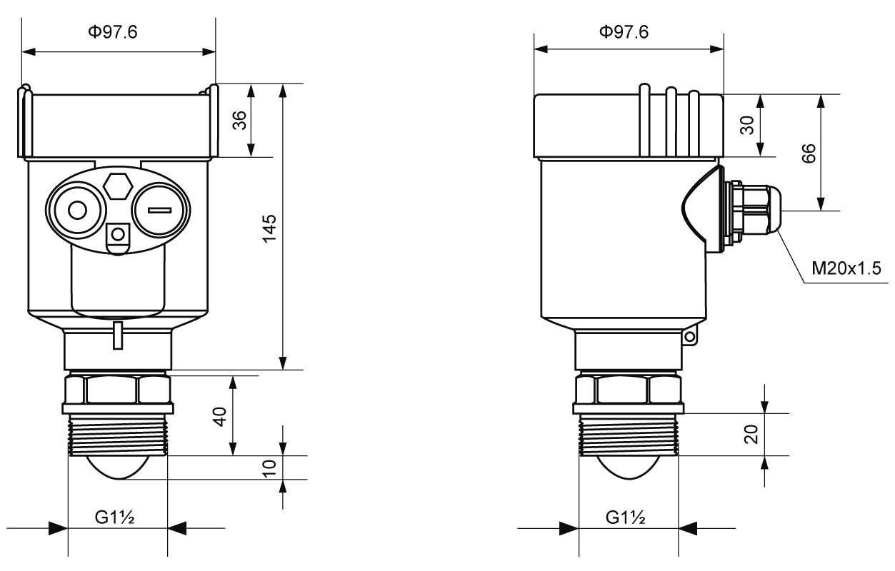
過(guo)程連接: G1?A / 1?NPT螺紋/ 法蘭≥DN 40
過(guo)程溫度: -40~80℃
過(guo)程壓力: -0.1~0.3 MPa
天線尺(chi)寸: 32mm透鏡天線
天線(xian)材質: PTFE
精(jing) 度(du): ±2mm
防護等級(ji): IP67
中心頻率: 80GHz
發 射 角: 8°
電(dian) 源:兩(liang)線制(zhi)/DC24V 四線制(zhi)/AC220V 六線制(zhi)/DC12-24V
外 殼:鋁/塑(su)料/不銹鋼
信(xin)號輸出:兩線(xian)(xian)制/4...20mA/HART協議 四線(xian)(xian)制/4...20mA/HART協議 六線(xian)(xian)制/4...20mA/RS485/Modbus協議
400-1610-067
HBRD-FMW 系列傳感器(qi)是80G調(diao)頻(pin)雷達式物位測(ce)量儀表,測(ce)量距離可(ke)(ke)達150米。天線被(bei)進(jin)一步優化處(chu)理(li),新型(xing)快速的微處(chu)理(li)器(qi)可(ke)(ke)以(yi)進(jin)行(xing)更高(gao)速率的信(xin)號分析處(chu)理(li),使得儀表可(ke)(ke)以(yi)用于高(gao)溫高(gao)壓等環境(jing)固體的測(ce)量。
調頻(pin)連續(xu)波(bo)雷(lei)達物位計的通用原(yuan)理為雷(lei)達在罐頂發射電(dian)磁波(bo),電(dian)磁波(bo)碰到介質反(fan)射后(hou)被(bei)雷(lei)達接收(shou),接收(shou)信(xin)號(hao)與發射信(xin)號(hao)之間的頻(pin)率差 δ f 與介質(zhi)表面的距離 R 成一定比(bi)例關系(xi): R= C (速度(du)) *δ f (頻率差(cha)) /2/ K ( 調頻斜率)。因為光速 C和(he)調(diao)頻斜率(lv) K 已(yi)知,因(yin)此估(gu)算出(chu)頻率差 δ f , 便可得(de)到(dao)雷達(da)安裝(zhuang)位置(zhi)料面(mian)的距離 R ,再通(tong)過(guo)已(yi)知的罐體總高,減(jian)去雷(lei)達(da)到料面的空間距離(簡稱空高),得(de)出料位(wei)的高度。
本儀表完全滿足防護等級IP66/67的要求,請確保電纜密封頭的防水性。如圖
如何確保安裝滿足IP67的要求:
請確保密封頭未受損。
請確保電纜未受損。
請確保所使用的電纜符合電氣連接規范的要求。
在進入電氣接口前,將電纜向下彎曲,以確保水不會流入殼體,見①
請擰緊電纜密封頭,見②
請將未使用(yong)的電氣(qi)接口用(yong)盲堵(du)堵(du)緊,見③
咨詢熱線:400-161-0067
測量介質:液體
測量范圍: 0.1m~ 30m
過程連接: G1?A / 1?NPT螺紋(wen)/ 法蘭≥DN 40
過程溫度: -40~ 8
0℃
過程壓力: -0.1~ 0.3
MPa
精 度: ±2mm
防護等級:IP67
中心頻率:80GHz
電源:兩線制(DC24V)/ 四線制(AC220V)/六(liu)線制(DC12V~24V)
外殼:鋁/塑料/不銹鋼
信號輸出(chu):二線制(zhi)4...20mA/HART協議/四(si)線制(zhi)4...20mA /RS485 Modbus
| 過程鏈接 |
法蘭 /材質(zhi)PP、PTFE、不銹(xiu)鋼、不銹(xiu)鋼 +PTFE翻邊 |
|||
| 材質 |
鑄鋁/ 不銹鋼/ 塑料ABS |
|||
| 外殼 | 外殼和外殼之間的密封 | 硅橡膠 | ||
| 外殼視窗 | 聚碳酸酯 | |||
| 接地端子 | 不銹鋼 | |||
| 供電電壓 | 四線制 | 標準型 |
(198~242)V AC |
|
| 功耗 | max80mA DC24V/2W | |||
| 允許波紋 | <100Hz | Uss<1V | ||
| (100~100K)Hz | Uss<10mV | |||
| 雙腔外殼 |
(15-28) V DC |
四線制 | ||
| 100V AC | 四線制 | |||
| 電纜參數 | 電纜入口/插頭 | 1個M20x1.5電纜入口 | ||
| 1個盲堵M20×15 | ||||
| 接地端子 | 導線橫截面2.5mm2 | |||
| 輸出參數 | 輸出信號 | (4~20)mA/RS485Modbus | ||
| 分辨率 | 1mm | |||
| 故障信號 | 電流輸出不變;20.5mA;22mA;3.9mA | |||
| 積分時間 | (0~20)s,可調 | |||
| 盲區 | 0.1m/0.2m/0.3m | |||
| 最大測量間隔 | 150米 | |||
| 測量間距 | 大約1秒(取決于參數設置) | |||
| 調整時間 |
大約1秒(取決于參數設(she)置) |
|||
|
調整時間工(gong)作存儲及運輸溫度 |
(-40~80)℃ |
|||
|
過程溫(wen)度 |
HBRD-FMW11S |
-40~100℃ |
||
| HBRD-FMW11 |
-40~80℃ |
|||
| HBRD-FMW12 |
-40~100℃ |
|||
| HBRD-FMW13 |
-40~120℃/-40-110℃(螺(luo)紋連接) |
|||
| HBRD-FMW14 | -40~200℃ | |||
|
相對濕度 |
<95% | |||
|
壓(ya)力 |
Max2.5MPa | |||
|
耐震 |
機械震動10m/s2,(10~150)Hz | |||
儀表(biao)在安裝時避免安裝在入料口的(de)上方,盡量避開各種(zhong)影響信號的(de)物體,如攪(jiao)拌槳等
● 在極端(duan)復雜的工(gong)況下,以雷達安裝點為中心(xin),半徑20cm的區域內(nei)沒有任何障礙物,儀(yi)表即可(ke)正常工(gong)作。
有不(bu)能(neng)安(an)裝在(zai)入料口上方,儀表下方不(bu)能(neng)有障礙物(wu)
在極端(duan)復雜的(de)工況下(xia),以(yi)雷達(da)安(an)裝點為中心,半徑20cm的(de)區(qu)域內(nei)沒有任何(he)障礙物(wu),儀表(biao)即可正(zheng)常(chang)工作。
售前咨詢
熱線電話 400-161-0067
400電話,全天(tian)24小時客服(fu)接聽
售后咨詢
售后(hou)咨詢 資深售后(hou)工程(cheng)師(shi)一(yi)對(dui)一(yi)解答
劉工:18610116715
薛工:18610116706
掃碼咨詢