
測(ce)量介(jie)質:液體
測量范圍: 0.05m~35m
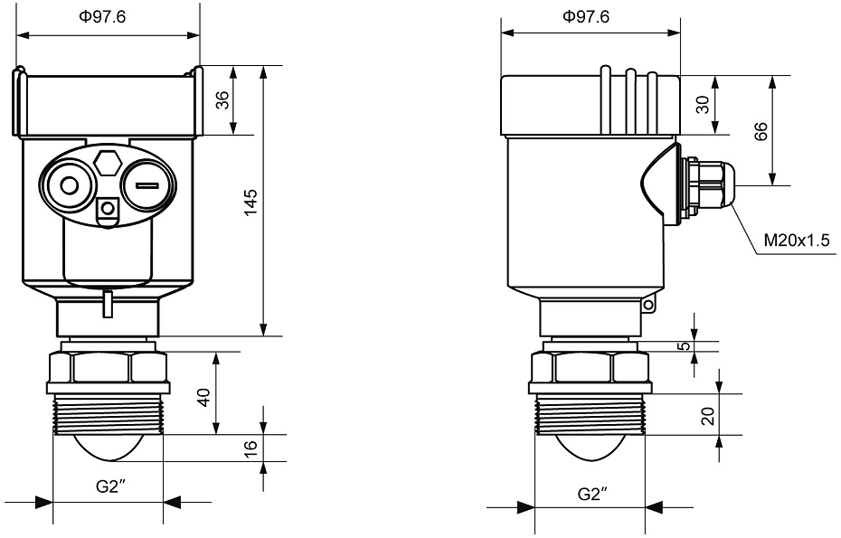
過程(cheng)連接: G2A螺紋/法蘭≥DN65
過程(cheng)溫度(du): -40~110℃
過程壓(ya)力(li): -0.1~1.6MPa
發 射 角: 5°
天(tian)線(xian)尺寸(cun): 42mm透(tou)鏡(jing)天(tian)線(xian)
天(tian)線材(cai)質:PTFE
精 度(du): ±2mm
防護等級: IP67
中(zhong)心頻率: 123GHz
電 源:二線(xian)制/DC24V四線(xian)制/DC12~24V四線(xian)制/AC220V
外 殼:鋁/塑料(liao)/不銹(xiu)鋼
信號輸出:二線制/4...20mA/HART協議四(si)線制4...20mA/ RS485 Modbus
400-1610-067
HBRD-FMF 系列(lie)傳感(gan)器(qi)是120G調頻雷(lei)達(da)式(shi)物位測量儀表,測量距離可(ke)(ke)達(da)35米。天線被進一步優化處(chu)理(li),新型快(kuai)速(su)的微處(chu)理(li)器(qi)可(ke)(ke)以進行更高(gao)速(su)率的信號分析處(chu)理(li),使得儀表可(ke)(ke)以用于高(gao)溫高(gao)壓等環(huan)境液體的測量。
調頻(pin)連(lian)續波(bo)雷(lei)(lei)(lei)達物位計的(de)(de)通用原理為(wei)雷(lei)(lei)(lei)達在罐(guan)頂發射(she)(she)電(dian)磁波(bo),電(dian)磁波(bo)碰到介質反射(she)(she)后(hou)被雷(lei)(lei)(lei)達接(jie)收(shou),接(jie)收(shou)信號(hao)與發射(she)(she)信號(hao)之間的(de)(de)頻(pin)率差 δ f 與介質表面(mian)的距離 R 成一(yi)定比(bi)例關系: R= C (速度) *δ f (頻(pin)率差) /2/ K ( 調(diao)頻斜率)。因為光速 C和調頻斜率 K 已知,因此估算出頻率差 δ f , 便可得到雷達安裝位置(zhi)料面的距離 R ,再(zai)通過已知的罐體(ti)總高(gao),減去雷(lei)達到料面(mian)的空(kong)間距離(li)(簡(jian)稱空(kong)高(gao)),得出料位的高(gao)度(du)。
本儀表完全滿足防護等級IP66/67的要求,請確保電纜密封頭的防水性。如圖
如何確保安裝滿足IP67的要求:
請確保密封頭未受損。
請確保電纜未受損。
請確保所使用的電纜符合電氣連接規范的要求。
在進入電氣接口前,將電纜向下彎曲,以確保水不會流入殼體,見①
請擰緊電纜密封頭,見②
請(qing)將未使用的電(dian)氣接(jie)口用盲(mang)堵堵緊,見③
咨詢熱線:400-161-0067
測量介質:液體
測量范圍:0.05m~35m
過程連接:G2A螺紋/法蘭≥DN65
過程溫度:-40~110℃
過程壓力:-0.1~1.6MPa
精度:±2mm
防護等級:IP67
頻率范圍:123GHz
電源:兩線制(DC24V)/四線制(DC12V~24V)/四線制(AC220V)
防爆等級:Exia ⅡC T6 Ga / Exd
IIC T6 Gb
外殼:鋁/塑料/不銹鋼
信號輸出:二線制(zhi)4...20mA/HART協議/四線制(zhi)4...20mA /RS485 Modbus
| 過程鏈接 | 法蘭 | |||
| 材質 | 304不銹鋼、PP | |||
| 外殼 | 外殼和外殼之間的密封 | 硅橡膠 | ||
| 外殼視窗 | 聚碳酸酯 | |||
| 接地端子 | 不銹鋼 | |||
| 供電電壓 | 四線制 | 標準型 | (12~24)V DC | |
| 功耗 | max80mA DC24V/2W | |||
| 允許波紋 | <100Hz | Uss<1V | ||
| (100~100K)Hz | Uss<10mV | |||
| 雙腔外殼 | (198~242)V AC | 四線制 | ||
| 100V AC | 四線制 | |||
| 電纜參數 | 電纜入口/插頭 | 1個M20x1.5電纜入口 | ||
| 1個盲堵M20×15 | ||||
| 接地端子 | 導線橫截面2.5mm2 | |||
| 輸出參數 | 輸出信號 | (4~20)mA/RS485Modbus | ||
| 分辨率 | 1mm | |||
| 故障信號 | 電流輸出不變;20.5mA;22mA;3.9mA | |||
| 積分時間 | (0~20)s,可調 | |||
| 盲區 | 0.1m/0.2m/0.3m | |||
| 最大測量間隔 | 150米 | |||
| 測量間距 | 大約1秒(取決于參數設置) | |||
| 調整時間 |
大約1秒(取決(jue)于參數(shu)設置(zhi)) |
|||
|
調(diao)整時間工(gong)作存儲及(ji)運輸溫度(du) |
(-40~80)℃ |
|||
|
過程溫度 |
HBRD-FMF11 | -40~80℃ | ||
| HBRD-FMF12 | -40~110℃ | |||
| HBRD-FMF13 | -40~110℃ | |||
| HBRD-FMF15 | -40~200℃ | |||
| HBRD-FMF21 | -40~110℃ | |||
|
相(xiang)對濕度(du) |
<95% | |||
|
壓力 |
Max2.5MPa | |||
|
耐震 |
機械震動10m/s2,(10~150)Hz | |||
儀表在安裝時(shi)避免安裝在入(ru)料口的上方,盡量避開各種影響(xiang)信(xin)號的物(wu)體,如攪拌槳等
● 在極端(duan)復雜的工況下,以雷達安裝點為(wei)中心,半徑(jing)20cm的區域(yu)內(nei)沒有(you)任何障礙物,儀表即(ji)可正常工作。
有不(bu)(bu)能安(an)裝在入料(liao)口上方,儀表下方不(bu)(bu)能有障礙物
在極端(duan)復雜(za)的(de)工況下(xia),以雷達安(an)裝點(dian)為中心,半徑20cm的(de)區(qu)域(yu)內沒(mei)有(you)任何(he)障(zhang)礙物,儀表即(ji)可(ke)正常工作。
售前咨詢
熱(re)線電話 400-161-0067
400電話,全天24小時(shi)客服(fu)接聽
售后咨詢
售(shou)后(hou)咨詢(xun) 資(zi)深售(shou)后(hou)工程師一對一解答
劉工:18610116715
薛工:18610116706
掃碼咨詢